ИО 102-4 извещатель охранный точечный магнитоконтактный, накладной, миниатюрный

ИО 102-4 извещатель охранный точечный магнитоконтактный, накладной, миниатюрный


Единицы измерения Штука
Производитель РЗМКП ОАО г. Рязань
Код товара 7
В избранное
174.64 руб.
158.76 руб. Мелкий опт
шт
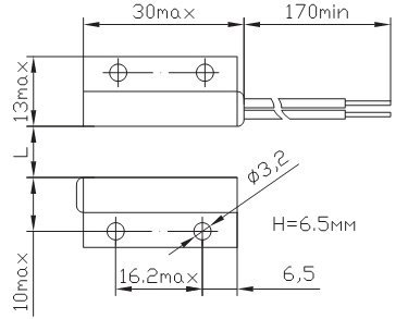
Магнитоконтактный, для наружной установки, малогабаритный, 31х13х6,5мм

Извещатель охранный точечный магнитоконтактный ИО 102-4 предназначен для блокировки дверных и оконных проемов, организации устройств типа «ловушка», а также блокировки других конструктивных элементов зданий и сооружений с выдачей сигнала «Тревога» путем размыкания контактов геркона на приемно-контрольный прибор, концентратор или пульт централизованного наблюдения
Извещатель конструктивно состоит из датчика магнитоуправляемого на основе геркона и задающего элемента (магнита), выполненных в пластмассовых корпусах.
Извещатель рассчитан на непрерывную круглосуточную работу.

 

Технические характеристики

диапазон коммутируемого напряжения, В

0,05-72

диапазон коммутируемого тока, мА

0,1-250

коммутируемая мощность, Вт, не более

10

число срабатываний извещателя в указанных диапазонах, не менее

106

выходное электрическое сопротивление:
• при замкнутых контактах (при токе (100±10)мА), Ом, не более
• при разомкнутых контактах, кОм, не менее

0,5
200

при параллельном расположении датчика и задающего элемента контакты извещателя должны быть:
• замкнуты - при расстоянии между ними, мм
• разомкнуты - при расстоянии между ними, мм

10 и менее

45 и более

допустимое смещение по вертикальной и горизонтальной осям между датчиком и задающим элементом, мм, не более

3

сопротивление изоляции между выводами датчика:
• в нормальных климатических условиях, Ом, не менее
• при повышенной относительной влажности 98% (при +350С), Ом, не менее

5 · 106
2 · 105

электрическая прочность изоляции между выводами датчика и корпусом, Вэфф/Впост, не менее

500 / 700

рабочая температура среды, °С

-50 … +50

относительная влажность воздуха ( при +35 °С ), %, не более

98

виброустойчивость (10–35)Гц, м/с2 (g), не более

4,9 (0,5)

наработка до отказа, ч, не менее

200000

срок службы, лет, не менее

8

масса извещателя, г, не более

8,8


 



* Технические характеристики и внешний вид оборудования, представленного в каталоге, носят исключительно информативный характер, могут быть изменены в любой момент без уведомления и не заменяют консультацию специалиста. Во избежание ошибок при выборе, рекомендуем обратиться к менеджеру.
Выберите один из подарков
Выберите один из товаров, чтобы получить подарок

ИО 102-29 «ЭСТЕТ-ИНВЕРТОР» уличный, IP 66 Залит компаундом, вывод 500 мм, до -50 °С, IP 66

ИО 102-29 "ЭСТЕТ-ИНВЕРТОР" уличный I66 , миниатюрный накладной магнитоконтактный извещатель на металл, залит компаундом, вывод 500мм, до -50С, при поднесении магнита ближе 10 -РАЗОМКНУТ

Производитель: Магнито-Контакт
Код товара: 7875260

По запросу
Звоните Мелкий опт

ДПМ-1 датчик магнитоконтактный накладной на металл, раб. зазор до 40 мм, напряжение до 250В, НР

ДПМ-1(ДПМГР-2) Периметральный Накладной на металл, раб. зазор до 40 мм, напряжение до 250В, ток до 1А, раб. температура от +80 до – 50 вывод кабеля 850мм

Производитель: Магнито-Контакт
Код товара: 84549

3 707.21 руб.
3 530.68 руб. Мелкий опт

ИО 102-20 Б2П (2) корпус пластик серый, неразборный, защитный гофрорукав пласт.

Накладной,с защитным пластмассовым рукавом, корпус пластмассовый, зазор не менее 30мм, датчик и магнит 62х30х30мм

Код товара: 13708

223.61 руб.
203.28 руб. Мелкий опт